以下为医疗电气设备相关的行业术语:
注意 1:当术语“电压”和“电流”在本文件中使用时,除非另有说明,它们指的是一 个交流、直流或复合电压或电流的真有效值(r.m.s)。
注意 2:术语“电气设备”用来指医疗电气设备(见 63)或其他电气设备。本标准也 使用“设备”一词来指医疗电气设备或在医疗系统中的其他电气或非电气设备(见 64)。
1 调节孔盖
外壳或防护件上的部件,通过它才可能接触到电气设备的某些部件,以达到调整,检查, 更换或修理目的。
2 可触及部分
可通过标准测试指触及的除应用部分以外的电气设备的部分。
3 附件
和设备一起使用的额外的部分,用来:
- 达到预期用途;
- 使用它来达到特殊使用;
- 促进设备的使用;
- 增强设备的性能;或
- 使设备的功能和其他设备整合。
[IEC60788:2004, rm-83-06, 修改]
4 随机文件
随医疗电气设备,医疗电气系统,设备或附件所附带的文件,其内容对设备的责任实体 或操作者来说是资料,特别是有关基本安全和基本性能的资料。
5 电气间隙
在两个导电部件中的短的空气路径。
注意:取自 IEC60664, 定义 1.3.2。
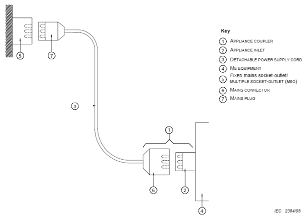
6 设备连接装置
不使用工具即可将软电线与电气设备进行连接的器件,由两个部件组成:一个是网电源 连接器,另一个是设备电源输入插口。
注意:见图1

图 1 -可拆卸的网电源连接器 (见定义)
7 设备电源输入插口
设备连接装置中与设备连在一起或固定在电气设备上的部分。
注意:见图1和图2。
8 * 应用部分
医疗电气设备的部件,其在正常使用时需要和患者有物理接触使得医疗电气设备或医疗 电气系统执行其功能。
注意 1:见图 3,图 4 和图 A.1 到图 A.7(图 A.1 和图 A.7 也包括在内)。
注意 2: 关于不落入应用部分的部件的处理但是根据应用风险管理过程的结果需要当作应用部分处理的部件。
注意 3:也见 78 关于相关术语患者连接的定义。
9 * 基本绝缘
对于电击起基本防护作用的绝缘。[IEV826-12-14, 修改]
注意:基本绝缘提供一重保护。

图 2 - 定义端子和连接器的例子(见定义)

图 3 - I 类医疗电气设备例子(见定义)

图 4 - 金属外壳的 II 类医疗电气设备例子(见定义)
10 * 基本安全
当医疗电气设备在正常状态和单一故障装态下使用时,没有由于物理危险而直接导致的 不可接受的风险。
11 AP 类
结构、标记以及文件都符合规定要求,以免在易燃麻醉气与空气的混合气体中形成点燃 源的设备或设备部件的分类。
12 APG 类
结构、标记以及文件都符合规定要求,以免在易燃麻醉气与氧或氧化亚氮的混合气体中 形成点燃源的设备或设备部件的分类。
13 I 类
定义用来指这样的电气设备,对电击的防护不仅依靠基本绝缘,而且还有附加安全保护 措施,即,使可触及的金属部件或内部金属部件保护接地。
注意:见图3
14 II 类
定义用来指这样的电气设备,对于电击的防护不仅依靠基本绝缘,而且还有附加的安全 保护措施,例如提供双重或加强绝缘,不提供保护接地或依靠于建筑条件。
注意1:见图4。
注意2:II类设备可提供功能接地或功能接地导体。
15 清晰可见
有正常视力的人可以识别。
16 冷态
电子设备断电后,经足够长时间达到环境温度时所具有的状态。
17 * 高完善性器件
在正常使用和合理可预见的误用中,在医疗电气设备的预期使用寿命中,器件的一个或 多个特征保证它的功能与本标准相关的安全要求来讲是不会出现故障的。
18 * 连续工作
在正常使用下不超过规定的温度限值的无时间限制的运行。
19 爬电距离
沿两个导体部件之间绝缘材料表面的短路径。
20 * 除颤防护的应用部分
保护患者不受心脏除颤仪放电影响的应用部分。
21 * 可拆卸的电源线
预期通过合适的网电源连接器与电子设备连接的软电线。
注 见图1,图2 和图3
22 * 直接心脏应用
应用部分的使用可以直接与病人的心脏相接触。
23 * 双重绝缘
由基本绝缘和辅助绝缘所组成的绝缘。
[IEV 195-06-08]
注意:双重绝缘提供两重保护。
24 * 持续率
大的活动(开)时间,随着一个不活动(关)时间,为了医疗电气设备的安全运行。
25 对地漏电流
从网电源部分通过或跨过绝缘流到保护接地导体上的电流。
26 * 外壳
电子设备或其部件的外表面。
注意:为了本标准测试的目的,有规定尺寸的金属箔,应用在紧密接触与由低导电率或 绝缘材料制成的外表面,此金属箔被认为是外壳的一部分(见图2, 图3和图4)。
27 * 基本性能
为了获得没有不可接受的风险的性能。
注意:基本性能较容易理解的方式是考虑其缺失或降级是否会导致不可接受的风险。
28 预期使用寿命
由厂家定义的可使用的大生命周期。
29 F型隔离(浮动)应用部分(以下称为F型应用部分)
其患者连接同医疗电气设备的其他部分相隔离的应用部分,其绝缘应该达到当一个由连 接到患者身上的外部设备在患者连接和地之间产生不预期的电压时,其患者漏电流不超 过允许值。
30 固定 术语意味着固定或牢固在一个特定的位置,yo久地或只能用工具才能够打开。
例子1:由焊接yo久固定
例子2:由固定器(螺丝,螺柱等)固定,使得不使用工具就不可以打开/移除。
31 与空气混合的易燃麻醉气体
达到在规定条件下可能引燃的浓度的易燃麻醉气与空气的混合气。
32 与氧或氧化亚氮混合的易燃麻醉气体
达到在规定条件下可能引燃的浓度的易燃麻醉气与氧或氧化亚氮的混合气。
33 * 功能连接
连接,电气或其他方式,包含预期传送信号,数据,能量或物质。
注意:连接一个固定的网电源插座,不管是单个还是多个,都不认为是功能连接。
34 功能接地导线
接至功能接地端子的导线。
注意:见图2
35 * 功能接地端子
直接与电路或为功能的目的而接地的屏蔽部分相连的端子。
36 防护
专门通过物理屏障来提供保护的设备的部分。
注意: 根据结构不同,一个防护可以被称为包装,孔盖,屏蔽,门,外壳防护等。防 护可以以下方式作用:
- 单独;它在位时才能够起到作用;
- 与一个具有或不具有防护锁的联锁装置一起作用;在这个情况下,无论防护在不在位,保护都能够得到保证。
37 手持
术语指向在正常使用时预期由手握着的电子设备。
38 * 伤害
对于人或动物健康的物理损伤或损害,或对于财产的损害,或对于环境的损害。
[ISO14971:2000, 定义2.2,修改]
39 危险
伤害的潜在来源。
[ISO14971:2000,定义2.3]
40 * 危险状况
人,财产,或环境处于一个或多个危险的状况。
[ISO/IEC导则 51:1999,定义3.6]
41 高压
电压超过1000V交流或1500V直流或1500V峰值。
42 水压测试压力
压力应用于测试一个管路或其部分。
注意:见9.7.5
43 绝缘配合
考虑预期微环境和其他影响应力的电子设备的互相关联的绝缘参数。
44 预期使用 预期用途
根据规格,说明书和由厂商提供的信息来使用产品,过程或服务。
[ISO14971:2000, 定义2.5]
注意:预期用途不应和正常使用混淆。两者都包含根据厂家预期使用的概念。预期用途着重于医疗目的而正常使用不光结合了医疗目的,还有维护,服务,转运等等。
45 内部电源
设备的一个部分,将其它形式的能量转化成电流,提供设备工作所必须的电能的电源。 注意:内部电源可以是指位于设备内部,外部甚至具有一个独立的外壳。
46 内部供电
指电气设备由内部电源供电的形式。
47 泄漏电流
非功能性电流
注意:下列泄漏电流已经定义:对地漏电流,触及漏电流和患者漏电流。
48 网电源连接器
设备连接装置中的部件,它与同供电网相连的软电线联成一体,或与其固定连接。
注意:网电源连接器被用来插进设备上的设备电源输入插口之中(见图1和图2)。
49 * 网电源部分
预期与网电源相连接的电气电路。
注意 1 :网电源部分包括:所有的导体部件,这些部件与网电源之间未提供至少一层 防护的隔离要求。
注意 2 :就本定义而言,保护接地导体是不认为是网电源部分的一个部件(见图 2 和 图 3)。
50 * 网电插头
与设备的电源软电线组成一体或固定连接的部件,用它插入固定的网电源插座。
注意 1: 见图1。
注意 2:参考IEC60083和IEC60309-1。
51 网电变压器
指这样一种设备,具有两个或以上的绕组,通过电磁感应实现从网电源部分的交流电压 和电流到同频率、不同数值的电压和电流的转换。
52 网电源接线端子
与供电网实现电气连接用的接线端子装置。
注意:见图 2。
53 网电瞬态电压
由交流电网电源上的外部瞬态现象产生的、预计在设备的电源输入端出现的高峰值电压。
54 电网电压
多相供电网中两相线之间的电压,或单相供电网中相线与中线之间的电压。
55 制造厂
负责医疗器械的设计、制造、包装或作标记、系统的装配、或者改装医疗器械或医疗系 统的自然人或法人,不管上述工作是由自己或由第三方代其完成。
注意 1:ISO13485 定义“标记”为编写,印刷或图形文件
- 粘附于医疗设备或任何其包装,或
- 随同医疗设备
根据此说明有,技术说明书和使用说明书,不包括运输文件。在本标准中,对此类标识 和随机文件的类型均有描述。
注意 2:“改装”包括对已经在使用的医疗设备或医疗系统进行进一步的修改。
注意 3:在某些权限下,责任机构可以被认为是制造者。
注意 4:更改来源于 ISO14971:2000,术语 2.6
56 * 大网电压
与某一确定的医疗设备连接,并用于测试目的、与供电网电源电压相关的电压。
注意:大网电压的数值根据 8.5.3 来确定。
57 * 大容许工作压力
器件的制造商宣称的该器件所能承受的大压力。
58 * 操作者保护方式
为了降低电击给操作者,而非患者带来的风险而提供的保护方式。
59 * 患者保护方式
为了降低电击给患者带来的风险而提供的保护方式。
60 * 保护措施
根据本标准的要求,提供降低电击风险的方式。
注意:MOP 包括有绝缘,空气间隙,爬电距离,阻抗和保护接地连接。
61 机械危险
与物理的压力相关或由其产生的危险。
62 机械防护装置
是这样一种装置,即使在单一故障状态下,它也能消除或降低机械风险到可接受的水平。
63 * 医用电气设备
有一个应用部分,或向患者传送或从患者取得能量,或检测这些所传送或取得的能量的 电气设备,同时:
a) 与某一专门的供电网有不多于一个的连接;和
b) 由制造商确定的预期功能有:
1) 对患者进行诊断、治疗或监护;或
2) 对疾病、伤害或残疾的补偿或缓和
注意 1:ME 设备包括由制造商指定的、在设备正常使用过程中必须的附件。
注意 2:不是所有的在医疗实践中使用的电气设备都符合本定义(如某些体外诊断设 备)。
注意 3:主动植入式医疗设备的植入式部分能符合本标准的定义,但被排除在本标准第 一章节的范围之外。
注意 4:本标准使用的术语“电气设备”,是指医用电气设备而非其他的电气设备。
注意 5:参考 4.10.1,8.2.1 和 16.3。
64 * 医疗电气系统
由制造商指定的,至少一台为医用电气设备通过功能连接或使用一个多插孔插座实现内 部连接的组合。
65 可移动的
术语是指对于可运输的设备,能够依靠自身的轮子或等效的方式实现从一个位置移动到 另外一个位置。
66 * 型式标记
数字组合、文字组合或两者兼用的组合,用以识别设备的某种型式。
67 * 多孔输出插座
一个或一个以上的插孔插座,预期与柔性电缆、电线相连,或与柔性电缆、电线组成一 体,或与采用网电源或与之等效的电压的医用电气设备相连。
68 * 网络/数据接合
根据制造商的规定,实现信息由一台设备到另外一台设备或从另外一台设备到本设备的 发送或接收的方式。
69 标称(值)
作为基准并带有允差的值。
如:网电压的标称值,螺钉的标称直径。
70 正常状态
是指对危险防护的所有方式都是完整时的一种状态。
71 正常使用
包括根据使用说明书规定的工作状态和待机状态,其中工作包括由任意操作者执行例行 检查和调整。
72 客观凭证
指基于通过观察、测量、测试或其它方式获得的事实,被证明是正确的信息。
73 * 操作者
操作设备的人。
注意:见 3.101
74 过流释放器
当装置中的电流超过预置值时,使电路延时或立即断开的保护装置。
75 * 富氧环境
是指氧气浓度的环境:
a) 相对 110kpa 的大气压,大于 25%;或
b) 在大气压力超过 110 kpa 时,氧气部分的压力大于 27.5kpa。
76 患者
接受内科、外科或牙科检查的生物(包括人或动物)。
77 * 患者辅助漏电流
正常使用时,经任意患者连接到其它患者连接流入患者的电流,此电流预期不产生生理 效应。
78 * 患者连接
应用部分端的单个连接点,在正常和单一故障状态下,通过该连接能在患者和医疗电气 设备之间形成电流。
79 * 患者环境
是这样的一个任意空间,在这个空间内患者能有意或无意的触及医用电气设备或系统的部件,或者患者与其它能触及医用电气设备或系统部件的操作者之间形成接触。
80 患者漏电流
一种电流:
- 通过患者连接,经患者流入地;或
- 由于在患者身上意外的出现一个来自外部电源的电压而从患者经 F 型应用部分流 入地的电流。
81 * 峰值工作电压
工作电压的高峰值或直流值,包括设备内产生的重复性峰值脉冲电压,但不包括来自 外部的瞬态值.。
82 PEMS 开发周期
从一个项目Z初的概念阶段到Z后完成 PEMS 确认的时间周期内发生的必须的活动。
83 PEMS 确认
在开发过程中或Z后对一个可编程医疗电气系统或其中的一个组件进行评估的过程,以判断它是否满足预期的功能。
84 yo久性安装
与供电网用yo久性方式作电气连接,这种连接方式只有使用工具才能将其断开。
85 便携的
指可移动设备由一个人或几个人携带着从一个地方移到另一个地方。
86 电位均衡导线
在设备与电气安装的等电位端子间提供直接连接的导体,该导体不得是保护接地的导体 或中性导体。
87 电源软电线
为连接网电源而固定或装在设备上的软电线。
注意:见图 1 到图 4。
88 程序
为进行某项活动所规定的途径。
【 ISO14971:2000,2.9 定义 】
89 过程
将输人转化为输出的一组彼此相关的资源和活动
【 ISO14971:2000,2.10 定义 】
90 可编程电气医疗系统
医用电气设备或系统包含一个或多个可编程的电气子系统。
91 可编程电气子系统
基于一个或多个中央处理单元,包括软件和接口的系统。
92 正确安装的
根据随机文件进行的安装。
93 保护接地导线
保护接地端子与外部保护接地系统相连的导线。
注意:见图 2。
94 保护接地连接
为提供接地的目的和符合本标准的要求而采用的与保护接地端子的连接。
95 保护接地端子
为安全目的与 I 类设备导体部件相连接的端子。该端子通过保护接地导线与外部保护接 地系统相连接。
注意:见图 2。
96 保护接地
为保护目的用符合本标准的方法与保护接地端子相连接。
97 额定(值)
制造厂对设备所规定的数量特征值。
98 记录
为已完成的活动或达到的结果提供客观证据的文件
【ISO14971:2000,定义 2.11】
99 * 加强绝缘
提供两种保护方式的单绝缘系统。
100 剩余风险
采取防护措施后余下的风险
【ISO14971:2000,定义 2.12】
101 责任机构
对 ME 设备或系统的使用、维护承担责任的实体。
注意 1:责任实体可以是医院、临床医生或非专业人士。在家用场合,患者、操作者和 责任机构可能是一个相同的人。
注意 2:“使用”涵盖教育和培训。
102 风险
损害的发生概率与损害严重程度的结合。
【ISO14971:2000,定义 2.13】
103 风险分析
系统运用可得资料.判定危害并估计风险。
【ISO14971:2000,定义 2.13】
104 风险评定
包括风险分析和风险评价的全部过程
【ISO14971:2000,定义 2.14】
105 风险控制
作出决策并实施保护措施,以便降低风险或把风险维持在规定水平的过程。
【ISO14971:2000,定义 2.15】
106 风险评价
在风险分析的基础上,根据给定的现行社会价值观,对风险是否达到可接受水平的判断。
【ISO14971:2000,定义 2.16】
107 风险管理
用于风险分析、评价和控制工作的管理方针、程序及其实践的系统运用。
【ISO14971:2000,定义 2.17】
108 风险管理文档
由风险管理过程产生的、无须相连接的一组记录和其他文件。
[ISO14971:2000,定义 2.18]
注意:包括制造商计算、检测数据在内的所有安全相关的信息都被认为是风险管理文档 的一个部分。
109 安全工作载荷
设备或设备部件上所容许的大外部机械载荷(质量)。
110 * 二次电路
与网电之间至少采用了一层保护方式,同时由位于设备内的变压器、变换器或等效的隔 离装置供电或由电池供电的电路。
111 自恢复热断路器
在设备的有关部分冷却后能自动重新接通电流的热断路器。
112 * 隔离装置
出于安全的因素,具有输入、输出部分的组件或组件布局,阻止在 ME 系统的部件之间 产生不期望的电压或电流传输。
113 用服人员
对医用电气设备、系统承担安装、装配、维护或维修的责任机构的个人或实体。
114 危害性
危害可能后果的度量。
【ISO14971:2000,定义 2.21】
115 * 信号输入、输出部分(SIP/SOP)
设备的一个部分,但不是应用部分,用来从其它设备传送或接收输出或输入信号,如为 显示、记录或数据处理之用。
注意:见 4.7 和 13.2。
116 单一故障状态
降低风险的一种方式存在缺陷或发生了一个故障时的状态。
注意:见 4.7 和 13.2。
117 单一故障安全
医用电气设备或其部件,在单一故障条件下预期的生命周期内发生不可接受的风险是可 忽略时的特性。
118 非移动式的
是指设备不打算从一个位置转移到另一个位置。
119 辅助绝缘
附加于基本绝缘的独立绝缘,当基本绝缘发生故障时由它来提供对电击的防护。
注意:辅助绝缘提供一重的安全防护。
120 * 供电网
非组成医用电气设备或系统部件的电源。
注意:本术语包括电池系统和逆变系统或类似设备。
121 拉力安全因子
指抗拉强度与承受全部负载时应力的比率。
122 抗拉强度
试验片在破裂之前所能承受的大的拉应力。
123 接线端子装置
实现电气连接的设备部件。
注意:一个接线端子装置可以有几个独立的连接点。
124 热断路器
在不正常运行时,以自动切断电路或减小电流来限制设备或其部件温度的装置,该装置 在结构上应使其设定值不能由操作者改变。
125 热稳定
在一个小时的时间间隔内,某部件的温升不超过 2℃时的状态。
126 恒温器
温度敏感控制器,可使温度限定在规定的范围内,或高于、低于某一预设值。
127 工具
用来紧固或松开紧固件,或作调整用的人体外的器具。
128 总载荷
包括大的安全负载以及在正常使用过程中可能产生的静态、动态负载在内大的全部载荷。
注意 1:如动态载荷包括物质由加速或减速所产生的力的和。
注意 2:如果载荷被几个并列的支撑系统承担,并且不能确定其等效性时,必须考虑不利的可能性。
129 接触电流
从在正常使用时操作者或患者可触及的外壳或外壳部件(应用部分除外),经外部导电 连接而不是保护接地导线流入大地或外壳其它部分的电流。
注意:本术语的意义与本标准D一版和第二版中“外壳漏电流”的概念是相同的。
130 可移动的
术语是指设备不论是否与电源相连,均能从一处移到另一处,且移动范围没有明显限制。
131 限制区域
在医用电气设备或系统上或之内,或在设备环境中,人的身体或身体部分能够暴露于限 制、挤压、剪切、冲击、切割、缠绕、卷入、刺穿或摩擦的危险的可触及的区域。
132 * B 型应用部分
对电击危险,特别要考虑患者漏电流和患者辅助漏电流,的防护符合本标准规定的要求 的应用部分。
注意 1:B 型应用需要标示 IEC60417-5333(DB:2002-10)的符号(见表 D.1,符号 19) 或者,如果适用,采用 IEC60417-5333(DB:2002-10)的符号(见表 D.1,符号 25)。
注意 2:B 型应用部分不得适用于直接用于心脏。
注意 3:4.6 所考虑的治疗部分没有囊括在本定义范围内,但在风险管理程序中作为结 果需要将其作为应用部分进行考虑。
133 * BF 型应用部分
提供比 B 型应用部分更高的安全防护程度,同时符合本标准规定要求的 F 型应用部分。
注意 1:BF 型应用需要标示 IEC60417-5333(DB:2002-10)的符号(见表 D.1,符号 20)或者,如果适用,采用 IEC60417-5333(DB:2002-10)的符号(见表 D.1,符号 26)。
注意 2:BF 型应用部分不得适用于直接用于心脏。
注意 3:4.6 所考虑的治疗部分没有囊括在本定义范围内,但在风险管理程序中作为结 果需要将其作为应用部分进行考虑。
134 * CF 型应用部分
提供比 BF 型应用部分更高的安全防护程度,同时符合本标准规定要求的 F 型应用部分。
注意 1:CF 型应用需要标示 IEC60417-5333(DB:2002-10)的符号(见表 D.1,符号 21)或者,如果适用,采用 IEC60417-5333(DB:2002-10)的符号(见表 D.1,符号 27)。
注意 2: 4.6 所考虑的治疗部分没有囊括在本定义范围内,但在风险管理程序中作为结 果需要将其作为应用部分进行考虑。
135 型式试验
对设备有代表性的样品所进行的试验,其目的是确定所设计和制造的设备是否能符合本 标准的要求。
136 可用性
确定效力、效率以及操作者的易学性和符合性的特性。
【IEC60601-1-6:2004,定义 2.211】
137 可用性工程
对人类行为、能力、缺陷等知识以及其它对工具、机器、设备、装置、系统、任务、工25 作和环境设计的特性的应用,以获得足够的可用性。
138 验证
通过检查和提供客观证据表明规定要求已经满足的认可。
注意:在设计和开发中,验证是指对某项规定活动的结果进行检查的过程,以确定该项 活动对规定要求的符合性。
【ISO14971:2000,定义2.22】
139 * 工作电压
当设备在正常使用的条件下工作时,所考虑的绝缘或元器件上所得到的或能够得到的高电压。
【IEC60950-1:2001,定义 1.2.9.6】